Voltmeter Wiring Diagram

Voltmeter Wiring Diagram. How to read the wiring diagrams. It shows the components of the circuit as simplified shapes, and the facility and.

Circuit Diagram Of Ac Voltmeter - Home Wiring Diagram
Circuit Diagram Of Ac Voltmeter - Home Wiring Diagram (Luis Brooks)
F ELECTRICAL WIRING DIAGRAM (System Circuits). DC voltmeters can further be divided into two categories. A digital volt meter and an ammeter become very handy for monitoring voltages and current perfectly without compromising safety parameters.

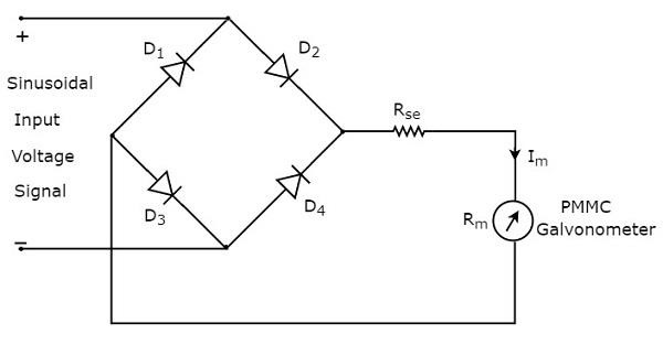
Circuit Diagram and Working Explanation: Working of this Digital Voltmeter Circuit is very simple.

Some D'Arsonval movements have full-scale deflection current.

Autometer Voltmeter Wiring Diagram

Sunpro Voltmeter Wiring Diagram

Voltmeter Design Worksheet - DC Electric Circuits

Automotive Voltmeter Wiring Diagram

Repair Guides

3 Wire Voltmeter Wiring Diagram - Hanenhuusholli

ME10

10pcs Digital Voltage Panel Mount Voltmeter 0 100V Blue ...

Sunpro Voltmeter Wiring Diagram

How to read the wiring diagrams. Voltmeter Gauge Wiring Diagram- wiring diagram is a simplified customary pictorial representation of an electrical circuit. It shows the components of the circuit as simplified shapes, and the facility and.

Subscribe to receive free email updates:

0 Response to "Voltmeter Wiring Diagram"

Post a Comment