01 Mitsubishi Galant Wiring Diagram

01 Mitsubishi Galant Wiring Diagram. Vehicle Wiring Search for a Mitsubishi Galant. Some MITSUBISHI Car Manuals PDF & Wiring Diagrams above the page - i-MiEV, Delica, Lancer Evolution X, Lancer Cargo, Outlander, ASX, Pajero, Engine Manuals, Lancer, Montero, Galant; Mitsubishi.

2001 Mitsubishi Galant Radio Wiring Diagram - Wiring ...
2001 Mitsubishi Galant Radio Wiring Diagram - Wiring ... (Billy Schneider)
Some MITSUBISHI Car Manuals PDF & Wiring Diagrams above the page - i-MiEV, Delica, Lancer Evolution X, Lancer Cargo, Outlander, ASX, Pajero, Engine Manuals, Lancer, Montero, Galant; Mitsubishi. Vehicle Wiring Search for a Mitsubishi Galant. Please select the EXACT year of your Mitsubishi Galant to view your vehicle sepecific diagram.

CIRCUIT DIAGRAMS CONTENTS ACTIVE-Electronic Control Suspension (ECS) Circuit.

The symbols used in circuit diagrams are used as described below.

2001 Mitsubishi Galant Radio Wiring Diagram - Wiring ...

Wiring Diagram: 31 2001 Mitsubishi Galant Engine Diagram

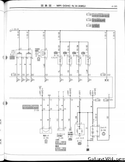
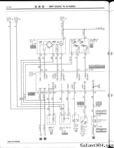
89.10 AMG Engine Wiring Diagrams | Galant VR-4 > Technical ...

Car won't turn over? | Galant VR-4 > Newbies | GalantVR-4 ...

89.10 AMG Engine Wiring Diagrams | Galant VR-4 > Technical ...

2001 Mitsubishi Eclipse Gs Fuse Box Diagram - Wiring ...

89.10 AMG Engine Wiring Diagrams | Galant VR-4 > Technical ...

89.10 AMG Engine Wiring Diagrams | Galant VR-4 > Technical ...

[DIAGRAM] 2000 Mitsubishi Galant Wiring Diagram Radio FULL ...

At the same time, the change of generations strictly occurred every five years, so even officially sold in our. Some MITSUBISHI Galant Wiring Diagrams are above the page. Mitsubishi Galant Circuit Diagram.pdf - Free ebook download as PDF File (.pdf), Text File (.txt) or read book online for free.

Subscribe to receive free email updates:

0 Response to "01 Mitsubishi Galant Wiring Diagram"

Post a Comment